【導讀】隨著智能電表在全球各地廣泛普及,其不僅要求開關電源具有小體積、高可靠性等,更要求開關電源能夠同時兼容多種輸入電壓。
傳統的三相四線制智能電表,為解決高壓輸入及四線制的供電要求,采用3PCS工頻變壓器進行電壓變換,再通過整流及濾波電路實現直流電壓的輸出,這種方案的優勢是成本低,缺點是體積大。同時不同國家、不同區域,三相四線智能電表的工作電壓存在很大的區別。目前一些國家(如中國、俄羅斯)實際供電電壓達到380VAC、而有的國家(如美國)則達到了480VAC。如果把如此高的供電電壓通過線-線直接接入85-264VAC輸入的AC/DC電源中,則電源將出現過壓損壞等情況。因此,85-264VAC輸入的常規電源已經不能滿足此應用需求。為滿足全球單相或三相輸入電壓(100VAC~480VAC)和智能電表小體積的要求,金升陽推出了90-528VAC輸入的小體積高性價比開關電源LS03-16BXXSS系列。
三相智能電表電源方案
金升陽微功率三相四線制電力專用電源LS03-16BxxSS或LD03-16BxxSS系列能夠解決工頻變壓器的體積大、設計復雜、輸入電壓高等問題。下面為三相智能電表的電源解決方案。

圖一 三相四線制智能電表方案框圖
圖(一)為三相四線智能電表功能框圖。主要由EMC防護、電源模塊、網絡模塊、人機交互模塊、高速數據處理器、實時時鐘、數據接口及采集模塊等組成。該方案推薦選用金升陽LS03-16BxxSS(或LD03-16BxxSS)系列開關電源。此電源輸入電壓為90-528VAC,可從前端三相輸入中的任何相電壓或線電壓中直接取電,而不因過壓導致模塊損壞。經過LS03-16BxxSS轉換為隔離的DC電源,再經過LDO的轉換給系統的其他功能模塊供電。考慮到智能電表需向外部接口提供信息和進行數據交換,為使信號傳輸穩定可靠,建議選擇帶集成隔離電源的通信模塊,如金升陽TDX01D485系列485通信模塊,能有效抑制電磁干擾和消除地環路影響。
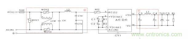
應用注意事項
LS03-16BxxSS系列電源,如果需應用在電磁環境比較惡劣的場合中,為使產品工作穩定且不被電磁干擾輕易損壞,建議在電源輸入端口增加相應的EMC外圍電路,以滿足一定指標的電磁兼容性能,如圖五所示為推薦電路供參考:





