【導讀】以下介紹幾種常用拓撲原理介紹及優缺點對比,分別是三種基本的非隔離開關電源、三種基本的隔離開關電源、反激變換器(Flyback)工作原理 (電流連續模式)等。
三種基本的非隔離開關電源

三種基本的隔離開關電源

反激變換器(Flyback)工作原理 (電流連續模式)






反激變換器(Flyback)優缺點

諧振復位正激變換器




諧振復位正激變換器優缺點

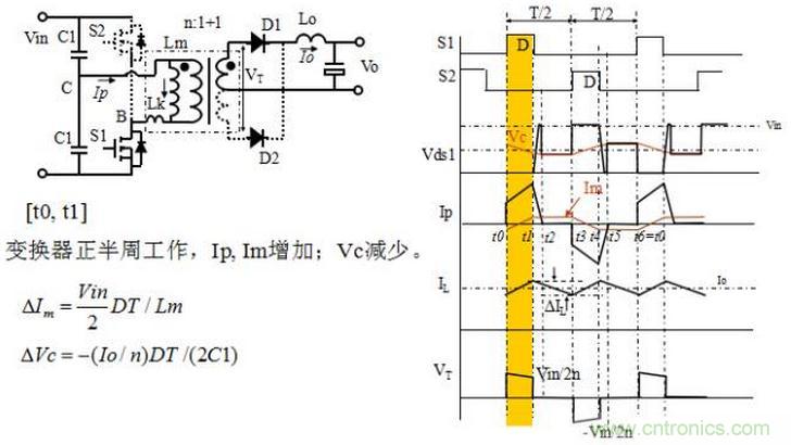
有源鉗位正激變換器









有源鉗位變換器優缺點

橋式變換器







橋式變換器優缺點

幾種隔離式變換器之比較

AC/DC Application Block Diagram




