【導讀】隨著互聯健康概念的興起,醫療智能穿戴設備市場逐漸擴大,根據市場研究公司Counterpoint Research調查指出,疫情促使消費者健康意識提高,這更使得醫療智能穿戴設備受到市場青睞,增長幅度不斷攀高。
本次我們通過技術型分銷商Exclpoint世健邀請了來自專業醫療智能穿戴設備領域企業的工程師馮工跟大家分享實戰案例。該公司是世健多年的客戶,主要從事醫學診斷產品研發、生產、銷售及服務。而馮工有著深厚的學術和實戰經驗。
項目需求
● 可穿戴產品尺寸小,要求器件選型封裝小、集成度高;
● 超低功耗,可充電電池供電;
● 有連續監測心率功能;
● 有連續監測血氧飽和度功能;
● 計步功能,能存一個月以上的數據量,掉電不丟失。
● 心率監測方案
心率監測可基于心電信號檢測,人體心臟的周期性跳動是有生物電信號精密控制的,只要能夠捕捉到心電信號,就能計算心率,但是心電檢測需要獲取人體多處電位,硬件實現復雜、方案成本高。有一種方案是諧振式檢測方案,傳感器感應動脈搏動的壓力變化,從而統計出心率。但該方案的實現需要將設備放置于人體脈搏明顯的部位,對于可穿戴設備佩戴方式將是一種挑戰。還有一種方案是光電式檢測,基本原理是血液會反射紅光而吸收綠光。心臟跳動時,流經皮膚的血液會增加,吸收的綠光也會增加;心跳間隔期,血液在血管中流量減少隨之吸收綠光減少。當設備使用綠色LED,配合對光敏感的光電傳感器,就可以檢測任意時間點流經人體皮膚各處的血液流量,通過統計數據,以每次血流量的最高點作為一次周期,這樣就可以計算心率。并且可以將設備設計成手表形態,方便的戴于手腕處。
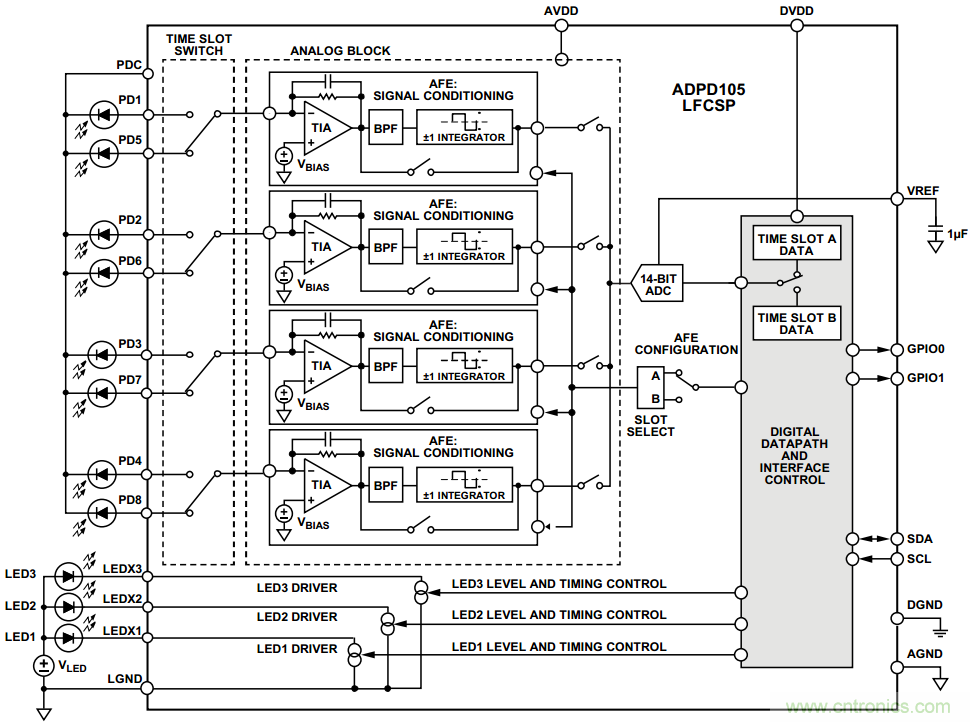
基于光電式的心率監測方案(也稱光電容積脈搏波描記法PPG),硬件上需要有光源驅動、光電轉換、模數轉換數據處理等模塊。一般光源驅動我們選擇恒流源(需要可以微調電流和一定的頻率開關);光電轉換選擇光電二極管然后用運放進行流壓轉換和信號調理;最后用A/D芯片實現模擬量的數字轉換并送至MCU進行處理。硬件方案如果采用分立器件,那么芯片數量較多,并且空間受限,所以最好還是采用集成器件。ADI公司擁有多功能光電式測量前端芯片(型號:ADPD105),完全集成式AFE、ADC、LED 驅動器和時序內核, 提供一流的環境光抑制性能,無需光電二極管濾光器;靈活的數字接口SPI、I2C 可供選擇;功耗低,1.8 V模擬/數字超低工作電源,待機模式僅0.3μA電流,適合電池供電的設備;靈活的采樣頻率范圍:0.122 Hz ~3820 Hz;多達3個LED恒流源,每通道峰值電流達370mA;擁有WLCSP芯片級封裝,極致的小體積適合空間受限應用。其內部功能框圖如圖1。

圖1
血氧飽和度監測方案
光電容積脈搏波描記法(PPG)不僅可以用于心率檢測,通過一定算法處理也可測量血氧,為無創式血氧監測提供了很好的方案。
原理:由于氧合血紅蛋白(HbO2)和血紅蛋白(Hb)這兩種物質對波長600 ~ 1000nm的光具有一定的吸收特性。Hb對600 ~ 800nm之間的光吸收系數更高,HbO2對800~1000之間光的吸收系數更高。所以可以利用紅光(600 ~ 800nm)和接近紅外(IR)(800 ~ 1000nm)的光分別檢測HbO2和Hb的PPG信號,再通過程序處理算出相應的比值,這樣就得到了血氧值。
利用ADPD105其中兩通道LED恒流源分別驅動紅光LED和近紅外LED,另外一通道恒流源驅動綠光LED用于心率檢測,對于光接受器可以使用同一個,分時復用,分別去采集心率信號和血氧信號,在最少的器件下高效完成數據采集,綜合成本最低。另外近期關注的ADI新產品ADPD410X,是ADPD系列比較新的產品,它同時擁有8路LED驅動光路和8路的數據采集通道,更高的集成度和采樣精度,同時支持PPG,ECG和EDA的測量。它能作為本案的功能拓展方案。
計步功能方案
計步方案使用最多的就是三軸加速度傳感器,通過算法識別行走時的三軸動態數據,即可實現計步功能。本方案是基于可穿戴設備,因此芯片的功耗、體積成為重要考慮因素。ADXL363是一款超低功耗的3個傳感器組合產品,由3軸MEMS加速度計、溫度傳感器和用于同步轉換外部信號的ADC輸入端組成。整個系統輸出數據速率為100 Hz時功耗低于2µA,在運動觸發喚醒模式下功耗為270 nA;1.6~3.5V工作電源范圍,便捷的兼容其他器件的電源;ADXL363還提供針對內部ADC的訪問,可同步轉換外部的模擬輸入。緊湊型的LGA封裝非常符合可穿戴式設備應用。其內部功能框圖如圖2。

圖2
MCU選型
本方案MCU選型需要兼顧高性能和低功耗。ADI公司的ADuCM3029擁有超低功耗特性:活動模式(完全開啟模式):< 30μA/MHz(典型值),休眠模式(帶SRAM保留):<750nA(典型值),關斷模式(可選RTC活動):<60nA(典型值);集成MPU的ARM® Cortex®-M3處理器,高性能內核處理算法游刃有余;集成ECC的256 KB嵌入式閃存,方便存儲離線數據;較低的電壓供電(1.74V至3.6V)可以允許使用紐扣電池;片內外設SPI、UART、IIC、Timer、DAC、DMA、Watchdog應有盡有,方便使用;內置32kHz振蕩器和26MHz高頻振蕩器,也支持外部時鐘源;擁有兩種緊湊型WLCSP/LFCSP可供選擇,適用于體積空間受限的應用。
另外可利用高性能的ADuCM4050作為高端升級版本的選擇,它擁有更好的性能和更低功耗在休眠和關斷模式下,在:活動模式(完全開啟模式):< 41μA/MHz(典型值),休眠模式(帶SRAM保留):<650nA(典型值),關斷模式(可選RTC活動):<50nA(典型值);ARM Cortex-M4F處理器,52 MHz,并帶FPU, MPU, ITM, SWD接口,兼容性更強,EEC的升級至512KB,方便存儲更多的離線數據;
電源方案
可穿戴式設備需要可充電電源,一般選用鋰電池,因此需要鋰電池管理芯片。LTC4065L是一款用于單節鋰電池的完整恒流/恒壓線性充電器,由于外形尺寸?。―FN封裝2mm*2mm),能夠準確地調節低充電電流,因而非常適用于低容量鋰電池;而且可以通過USB標準取電工作;還有強大的充電異常保護功能:自動再充電、低電池電量充電調節(涓流充電)、軟器動功能(用于限值涌入電流)。
方案中MCU、加速度傳感器、模擬前端芯片都可以工作在1.8V范圍,對于鋰電池的3.7V還需要LDO用于降壓。由于有模擬電路,故需選擇盡量低噪聲的LDO。LT 3042擁有超低噪聲0.8µVRMS(10 Hz~100 kHz),超高電源抑制比(最低79 dB @1MHz);超低的工作壓降(350mV);輸出可調(0~15V);緊湊型DFN封裝(3mm*3mm)。
免責聲明:本文為轉載文章,轉載此文目的在于傳遞更多信息,版權歸原作者所有。本文所用視頻、圖片、文字如涉及作品版權問題,請聯系小編進行處理。
推薦閱讀:






