- 脈搏測量儀電路工作原理
- 脈搏測量儀軟件設計
- 脈搏測量儀安裝與調試
- 傳感器由紅外線發射二極管和接收二極管組成
- 保證紅外線接收二極管在使用時不要受到外界光線的干擾
本文介紹一種用單片機制作的脈搏測量儀,只要把手指放在傳感器內,很快就可以精確測出每分鐘脈搏數,測量的結果用三位數字顯示出來。
電路工作原理
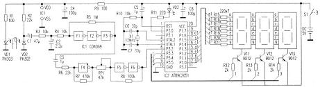
電路原理見附圖。電路由傳感器電路、信號放大和整形電路、單片機電路、數碼顯示電路等四部分組成。

傳感器由紅外線發射二極管和接收二極管組成,測量原理如下:將手指放在紅外線發射二極管和接收二極管之間,血管中血液的流量隨著心臟的跳動變化,由于手指放在光的傳遞路徑中,血管中血液飽和度的變化將引起光的傳遞強度變化,此變化和心跳的節拍相對應,因此紅外接收二極管的電流也跟著心跳的節拍改變,使得紅外接收二極管輸出與心跳節拍相對應的脈沖信號。該脈沖信號經F1~F3、R3~R5。C1、C2等組成的低通放大器放大,F4、R6、R7、C3組成的放大器進一步放大后,送給由F5、F6、RP1、R8等組成的施密特觸發器整形后輸出,作為單片機的外部中斷信號。電路中的可變電阻RP1用來調整施密特觸發器的閾值壓。
IC2、X1、R10、C5等組成單片機電路。單片機對由P3.2輸入的脈沖信號進行計算處理后,送到數碼管顯示。發光二極管VD3作脈搏測量狀態顯示,脈搏每跳動一次,VD3點亮一次。
三只數碼管VT1~VT3、R12-R21等組成數碼顯示電路。本機采用動態掃描顯示方式,使用共陽數碼管,P3.3~P3.5口作三只數碼管的動態掃描位驅動碼輸出,通過三極管VT1-VT3驅動數碼管。P1.0-P1.6口作數碼管段碼輸出。
軟件設計
程序用C語言編寫,由主程序、外部中斷服務程序、定時器TO中斷服務程序、延時子程序等模塊組成。主程序主要完成程序的初始化。外部中斷0服務程序由測量、計算、讀數等部分組成。定時中斷服務程序由計時、動態掃描顯示、無測試信號判斷等部分組成。程序中用變量n對時間計數,用變量m對脈搏脈沖信號個數計數。
從P3.2口輸入的與脈搏相對應的脈沖信號作為外部中斷0的請求中斷信號,外部中斷采用邊沿觸發的方式。由于脈沖信號的頻率很低,所以不適宜用計數的方法進行測量,故而采用測脈沖周期的方法進行測量,即用脈沖來控制計時信號,通過計時數計算出脈沖周期,再由脈沖周期計算出頻率,從P3.2口每輸入一次脈沖信號就能顯示一次脈搏數。
定時器TO的中斷時間為5ms,每中斷一次計時變量n加1,因此計時的基本單位為5ms,例如一個脈搏脈沖周期對應的n值為240,則對應的時間為1.2s,由此可得每分鐘脈搏數為50。如果n的值達到2000,即10秒鐘仍沒有發生外部中斷,則表示沒有脈搏脈沖信號輸入,于是n被清零,測量結果顯示也為0。
讀數采用三位數碼顯示。定時器TO每中斷一次顯示一個位,因此3次中斷就可以刷新一次數據,即15ms刷新一次數據。
安裝與調試
傳感器的制作是一個關鍵。可將紅外線發射二極管和接收二極管分別固定在一個塑料夾子的兩側,用時只需將夾子夾在手指上即可。制作時注意保證紅外線接收二極管在使用時不要受到外界光線的干擾。
調試的主要工作是通過對RP1的調節來調整電路的靈敏度,RP1的阻值越小靈敏度越高,反之靈敏度越低。調試時可通過VD3的發光狀態進行觀察,如果脈搏跳動時VD3不跟隨發光,則說明靈敏度偏低,不易檢測到脈搏信號;如果在沒有脈搏跳動時VD3偶爾也點亮發光,說明靈敏度偏高,容易受到干擾。





