【導讀】當環境和電路設計變量影響輸出時,要確定具有負反饋的電路的穩定性并非易事。任何錯誤的計算都會成為電路異常行為(如振蕩和振鈴)的溫床。這就需要采取先發制人的測試程序,以最小化輸出波動的可能性。
當環境和電路設計變量影響輸出時,要確定具有負反饋的電路的穩定性并非易事。任何錯誤的計算都會成為電路異常行為(如振蕩和振鈴)的溫床。這就需要采取先發制人的測試程序,以最小化輸出波動的可能性。不幸的是,這種方法通常是用價格過高的高端電子負載來執行的。本文為業余愛好者介紹了一種經濟的選擇-即利用MOSFET的三極管和飽和區與負載電阻配對以提供脈沖電流。
系統穩定性簡介
為什么穩定性如此重要?難道人們不能立即獲得現成的知識產權(IP),構建或制造電路,測試功能,然后將其啟動到預期的應用程序嗎?不幸的是,這種臨時方法充斥著風險,并伴有潛在的災難性后果。要了解這些風險,必須建立一個關于穩定性含義的牢固基礎。
根據閉環反饋系統的傳遞函數,通過將分母等于0來獲得不穩定的條件。因此,當系統以“ -1”的增益(即單位增益和180°相位反轉)工作時,整個傳遞函數接近無窮大,從而使該條件成為極點(另一種識別極點的方法是提取分母的特征值或特征向量)。由于傳遞函數將頻率作為其因變量,因此很容易假設設計工作頻率遠離極點的電路將解決該問題。但是,這種預防措施是不夠的。當引入負載和環境變量時,傳遞函數和極點(或極點,如果信號或系統更復雜)也會改變。系統的復雜性和應用進一步模糊了穩定性的界限。例如,功率轉換器裝有許多非線性電路元件和外部寄生元件,這些元件會導致這種極移。從理論上講,如果不是很繁瑣的話,就不可能在穩定和不穩定的輸出之間形成鮮明的界限。但是,這并不意味著估計是不可靠的。只是理論不能完全保證穩定性。
根據上述論點,如果僅對基本功能進行測試,則該產品極有可能在現場發生故障。行業中的一個場景是客戶對產品故障的抱怨。最糟糕的是,由于對失敗產品的嘲諷,該公司將陷入虧損。
測試不穩定的方法
有多種測量技術可用于測試電路是否會在特定條件下振蕩。優先級取決于可用資源,下面將詳細討論每種資源。
方法1:從波特圖獲取增益和相位裕度。該方法通過在頻率上觀察電路的特性響應來通過判斷領域。需要價格昂貴的網絡分析儀或頻率響應分析儀,將頻率掃至所需范圍的正弦波與輸出耦合到電路的反饋環路中。然后同時測量增益和相位。回想振蕩發生在單位增益和180°相移時,提取20 * log(1)= 0 dB的相位,并取其與180°的差。這是相位裕度。增益也適用相同的方法。增益裕度較不受歡迎,因為有更多情況下相位不超過180°。更高的利潤率意味著在滿足極點條件之前還有更多的回旋余地,從而使電路更穩定。
該方法很好地說明了每個變量對電路頻率響應的影響。較高的輸出電容意味著較低的相位裕量,因為相位和高頻分量會被衰減,從而將0dB點推向左側。設置對于測量的準確性也至關重要。如果由于不小心處理連接器和錯誤焊接而造成意外寄生元件,則可能會引入誤差。
方法2:觀察負載瞬態響應。該方法通過在時域中觀察電路的特性響應來通過判斷。根據電路規格,以灌電流或拉電流對輸出進行脈沖化。示波器仍然很昂貴,但是比FRA便宜,用于觀察輸出的響應。如果觀察到加劇的吉布現象,尤其是沒有立即衰減的現象,則在該條件附近可能存在極點。下面將對此方法進行更深入的討論。
方法3:使用“ Pease的原理”。一種方法是從著名的模擬IC設計人員(特別是運算放大器)(又稱帶隙沙皇),已故的Robert Pease(我最初通過他那令人著迷的豐富專欄“ Pease Porridge”認識的)中借鑒而來的。大學)闡述了一種簡單的電路穩定性測試方法。它涉及用所有頻率的方波對電路進行沖擊。如果電路仍然存在,那么它很堅固。電路的弱點也會浮出水面。該過程在理論上是明智的,因為方波的頻率內容包含在頻域中(還記得方波的傅立葉級數還是單位階躍響應的傅立葉變換?)。就像上述第一種方法一樣將所有奇異正弦波分量壓縮為方波(而不是單獨掃描每個正弦波分量)。我認為,這種方法應注意一些預防措施,例如在輸出端使用有功負載。
仔細研究負載瞬態響應
在測量負載瞬態響應時,可能需要能夠提供更好分辨率的示波器。當處理很大的電流時,電路的輸入電壓值得檢查是否有明顯的下降。這可能會導致電路的欠壓鎖定(UVLO)觸發。在這種情況下,實施4線配置可能會成功。應遵循正確的探針接地,以避免可能引起不穩定的假陽性的假性過沖和下沖。
監視電流可能是一個障礙。可用的選項是圍繞一個電流探頭進行多次旋轉以實現低電流,以及用于監測甚至更低電流的感測電阻器。三軸電纜也可以消除絕緣泄漏的影響。
測量負載瞬態響應的方法
有多種測量負載瞬態響應的方法。在以下段落中將詳細描述每種方法。
使用與電阻串聯的MOSFET:此實現可能是本文中描述的最簡單的方法,涉及在三極管/有源區中與負載電阻串聯工作的MOSFET。負載電阻的電阻值將決定脈沖電流的高電平。可以用任意波形發生器或函數發生器為MOSFET的柵極提供脈沖。對于更寬松的規格(脈沖電流的壓擺率不是大問題),可以提供脈沖的任何定制電路都可以。值得注意的是,MOSFET開關必須在三極管區域內,否則它將表現出高阻抗(就像電流源一樣,這是飽和時的狀態)。
請記住,為了使三極管區域中的開關偏置,體-源極電壓必須處于地電位(可以反向偏置,但不能太大,因為閾值電壓也會增加),并且柵極-源極電壓必須更高。比漏極-源極電壓加上閾值電壓高。

圖1.負載瞬態測量中的NMOS電阻對(左)和PMOS電阻對(右)的設置
從圖1可以看出,NMOS位于地面附近,PMOS與VOUT端子相切。這并非偶然,因為這樣的配置使將柵極-源極電壓驅動至三極管區域變得更加容易。例如,如果將NMOS放置在負載電阻上方,則其漏極端子將高于地面。解決此問題的一種方法是將脈沖電路連接到NMOS漏極而不是接地,或者引入DC偏移。不幸的是,如果脈沖發生器是具有內置接地的儀器,則這是不可能的。
使用電子負載:市場上有很多電子負載可以滿足廣泛的測量要求。當然,每種儀器的質量都會隨著成本的降低而下降。但是,即使是最便宜的電子負載,其價格也無法與單個MOSFET和電阻器的價格競爭(出于業余愛好者的目的)。如果是這樣,那為什么還要在這里提及呢?好吧,我將其包括在內以供完成,以防萬一有人可以為這種工具掏出美元。
對于瞬態測量,可能需要一種支持開關的電子負載(僅此一項要求就將價格門檻設置得過高)。以GWINSTEK的PEL-3000系列電子負載為例。要執行測量,請將儀器設置為“ CR”模式并設置適當的電流范圍。請務必牢記每個范圍的相應壓擺率,以避免輸出電壓出現不必要的過沖(可在儀器的數據手冊中找到)。配置其他所需的其他設置(例如保護功能,以避免損壞DUT,軟啟動等),并確保接口的極性沒有接反。
使用在飽和區工作的功率MOSFET:這種方法是電子負載背后的基本原理,當在飽和條件下工作時,利用MOSFET的特性作為恒定電流源。這是最方便的,因為電流取決于柵極上施加的電壓,而不是外部電阻(更難設置)。挫折是MOSFET的功耗。由于沒有負載電阻,因此MOSFET承受著DUT的額定輸出電壓和負載電流容量的壓力,可以達到相當高的瓦數。因此,在這種情況下使用的MOSFET(與先前描述的方法相比)更加昂貴。對于脈沖負載,柵極上的高電平電壓必須足夠準確,以在MOSFET的漏極和源極之間驅動正確的高電平電流。所以,
LTSpice中的負載瞬態仿真
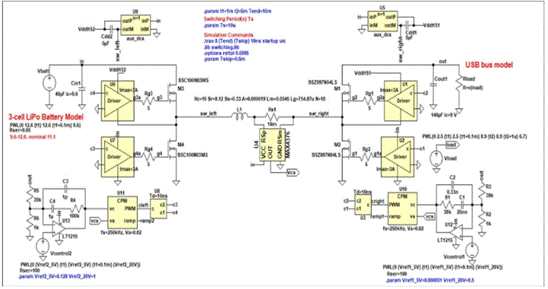
以下是針對USB Type-C的同步電流編程模式連續傳導模式(CPM-CCM)降壓-升壓轉換器的個人設計。

圖2.在LTSpice中繪制的CPM-CCM雙向USB Type-C轉換器
作為雙向功率轉換器,該電路以三種模式工作:正向降壓,正向升壓和反向降壓模式。電感器的精確模型設置為10 μH,并為合理的電流紋波而設計。MOSFET對根據工作模式而交替(四個不能同時切換)。提供了有關轉換器操作的全面說明,如下所示:
在點1處,作為5V降壓轉換器:為了作為降壓器工作,M1必須作為短路(三極管區域)工作,而M2必須作為開路(截止區域)工作。M3和M4必須設置占空比,以便將輸入電壓降低至5V。由于使用了NMOS對,因此M3需要U11(一種輔助低功率隔離式未穩壓dc-dc轉換器)來輔助M7的柵極,該輔助轉換器有助于U7(此轉換器狀態的高端驅動器)。獲得所需占空比的粗略估計很簡單(只需對降壓使用常規公式即可),然后進行調整以滿足公差要求。
在點2處,作為20V升壓轉換器:為了使該轉換器作為升壓轉換器工作,M3必須是短路(三極管區域),而M4必須是開路(截止區域)。這次,M2和M1必須調整其占空比以產生20V輸出。可以通過調高升壓的通用公式并進行校準以滿足公差范圍來繪制大致數字。
在點3處,作為5V反向降壓轉換器:在這種情況下,晶體管的狀態與點2相似。唯一調整的變量是占空比。同樣,可以使用降壓的通用公式來獲得合理的估算,然后進行精煉以滿足公差要求。
開關頻率設置為250kHz,高端和低端功率MOSFET之間的死區時間為100ns。兩個控制信號(control1和control2)均已用于控制四個功率MOSFET的開關時間。
CPM模塊的內部示意圖如下所示:

圖3.顯示的是USB Type-C電源轉換器的CPM模塊的內部示意圖
控制電壓進入“ vc”引腳,而感測到的電壓進入“ vs”引腳。理想的電壓源Varamp使用人工斜坡來提高穩定性并降低失真。U1用作饋送到SR觸發器的比較器。最終輸出是“ PWM”端子上的脈寬調制信號。
為了測試此USB Type-C轉換器的負載瞬態響應,如下圖所示,將Rload從8.9歐姆(2.2A)脈沖到6.7歐姆。

圖4.通過LTSpice中的PWL功能獲得的負載瞬態響應
通過上一節中介紹的第三種方法可以獲得類似的結果。圖5提供了一個示例電路實現。比較器U16(LT1013)用作驅動Q1的500Hz弛張振蕩器。這將定義轉換器輸出處電流脈沖的時序。開關波形耦合到R22,并加到由R14的分壓器(Rtop和Rbot)決定的偏移量。U15被配置為反相放大器,因此在M5的柵極之前插入了另一個反相放大器U14。

圖5.上面顯示了一個用作動態負載的電路,其增益可以通過一對電位器進行調節
圖5所示電路的材料清單比起利潤豐厚的電子負載,對愛好者來說,是一個更具吸引力的選擇。零件可以從當地的電子商店方便地購買。有些甚至可以從以前的項目中重復使用。因此,在測試電路設計的穩定性時,請選擇本文所述的方法。
免責聲明:本文為轉載文章,轉載此文目的在于傳遞更多信息,版權歸原作者所有。本文所用視頻、圖片、文字如涉及作品版權問題,請電話或者郵箱editor@52solution.com聯系小編進行侵刪。
推薦閱讀:






